

A few years ago I built one of those projects that never worked, but it did do something unusual. The PSU side of a portable receiver was very unusual in that it GENERATED RF in the HF spectrum. The fault was traced to a couple of errors on the PCB. After a little investigation I used the error to build myself an HF CW QRP transmitter, based upon an LM317T voltage regulator chip!!!
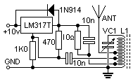
The circuit is given above and needs very little explanation. It operates from a 10 volt supply and regulates to about 4.5 volts. This is used to excite the tuned circuit VC1/L1. The tapping is about 3% of the total number of turns of L1. A 6% L1 tap is coupled to the control input if the LM317T regulator chip and BINGO - It "hoots". You can draw WATTS of power from a 12% tapping of L1.
I see no reason why you cannot use a regulator chip rated at a few amps to get even more power out. I used this circuit on the air, on 1.8 MHz, and actually had a few CW contacts. It will certainly work on the new 70KHz band, but I do not know how far you can push it into the HF spectrum. I have just presented the notes from my lab-book and now the rest is up to those who wish to experiment a little further.
As a STARTING point for VC1 / L1, L1 is the usual formula: the number of turns is the wavelength in meters and the maximum value of VC1 is the same in pf (multiply by 2 because it is a variable capacitor).
Have fun, and if you have any major success, such as exceeding 10 watts, then drop me a line and tell me what you did.
Regards HARRY, Lunda, Sweden.