
These pocket radios can be modified for the 160m band by adding a product detector and some dexterous tuning. The additional circuit can be built using rats-nest technique and fitted in a convenient space inside the radio. The result is a smart looking pocket radio for SSB/CW single band 160 meter use.
These radio's often use 2x 1.5v batteries, ignore these. Select the radio that uses a PP3 type 9 volt battery and has 4 canned transformers (1=Osc + 3x IFT). Some radio's only have three transformers; these are useable but not so sensitive. The MW radio covers 550KHz to 1.6MHz and gives 1MHz of band coverage. We are going to use it as a tuneable IF.
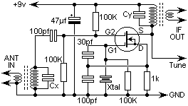
THE RF INPUT CONVERTER

Use the self-oscillating mixer circuit above. The crystal may be any close crystal, the exact frequency does not matter. If you want 3 - 4MHz then you would use a 2.4MHz crystal (2.4+1.6 = 4). A 2.9MHz crystal would let you cover 3.45 - 4.5MHz so you can use anything in between. The input circuit of the converter is tuned to the hamband - a small coil about 1/4" diameter. Experiment with the turns a little to suite the coil former you have used. Alternatively you could wind the coil on the radio's redundant ferrite rod, this I will cover later on.
As a VERY ROUGH rule: "BAND(meters)turns" of wire plus "BAND(meters)pf" will get you around the right frequency;
eg. 80 turns with 80pf will resonate at 3.5Mhz, 20 turns with 20pf will resonate at 14MHz etc.
The output RF circuit of the mixer is about 110 turns of wire on a 1/4" former and the coupling is 9 turns. Almost any dual gate FET will work in this application, I used 3SK45 (I had a lot of them). Note that the tuning capacitor in the radio tunes the converter output circuit so the capacitor shown may not be needed.
FIRST MOD TO THE RADIO

Here is the circuit diagram of the input circuit of the radio. Cut the 3 wires and connect them to the converter circuit. Adjust the number of turns on CONVERT1.GIF output coil for best sensitivity around 600KHz. Adjust the RF preset on the radio tuning capacitor for best sensitivity around 1.5MHz. Note that there are two trimmers on the back of the tuning capacitor; the RF trimmer is the one that does NOT cause a frequency shift when you put your finger on it. You should now be able to receive your selected HF band on the modified MW radio, but only AM signals. Easy!!
The input tuned circuit of the converter may be wound on the old ferrite rod of the radio as the radio doesn't need it any more. The ferrite rod will reduce the number of turns required by about 50%. No 10% antenna winding is required if you use the ferrite rod. The radio's ferrite rod should function will up to about 14 MHz, but I have only tried it up to the 30 meter band without problems. Wind the coil on a bit of cardboard and slide it up and down the rod to tune it for best signal.
THE PRODUCT DETECTOR

The product detector is a basically the same self-oscillating mixer circuit as used in the front-end converter, using a dual gate FET and a 455KHz ceramic resonator. No input tuned circuit is required. The output transformer is a transistor interstage AF transformer "robbed" from another of these radios. If you can't get a transformer then use a 1K ohm resistor instead of the primary. Couple the output audio via a 1.0 uF cap. leave the decoupling capacitor in place as shown. If the oscillator stops then reduce the 1K resistor value until it starts again.
MOD TO THE RADIO:

This drawing shows the circuit of the last IF transformer (usually colour code BLACK) of the radio. Cut the one wire or PCB track to the volume control and insert the product detector PRODECT1.GIF as shown. You can usually lift the volume control tag off the PCB with the aid of a soldering iron, and this saves gouging out bits of PCB.
Tune in any old M.W. signal to near zero-beat, then adjust the three I.F. transformers for maximum audio, or the most negative voltage on the ANODE of the detector shown in MOD2.GIF. If possible, mount the PRODECT1.GIF as close to the receiver AF amplifier as possible to keep direct IF pickup to a minimum.
No RF or IF alignment is necessary, other than that given above. For receiving bands greater than 20 MHz you can use a 3rd harmonic Xtal in the converter, the oscillator will "hoot" at the fundamental frequency of the crystal. It will still work Ok but there may be break-through from strong stations in the 10MHz region.
Have fun, de HARRY, Lunda, Sweden.