
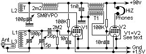
I still think that the simple receiver is a very important part of a QRP station. In the 30s and 40s regenerative radio receivers were very popular; they are simple to build & give very good results, even for CW and SSB operation. Here I present two identical circuits, one using FETs and the other valves. Both receivers use exactly the same coils.

The FETs for the FET version may be almost any JFET such as the BC256, J310 or MPF102. The valves may be DF91, DF92, DF96, DF97, 1T4, 1L4 or 1AN5. Note that with some valves (eg DF91 & 1T4) the supresser grid (G3) is internally connected to cathode/fillament. The DF97 for example needs to have the G3 connected externally.

T1 may prove to be a bit of a problem. I used a valve interstage audio transformer robbed from an old valve radio. It is available from a company in the USA who; also stock all the other components, even the valves.
The 2.2mH choke can be made by winding 34 turns of wire, on a 1/2 inch (outside diameter) ferrite ring. If you can get more than 34 turns on it the better it will be, 2.2mH is a minimum.
The circuit diagrams also give the correct phasing of the coils L1 and L2. L3 is a 2-turn coil about 2 inch diameter mounted around the plug-in coil socket and is a permanent fixture to the receiver chassis. The coil assembly can be mounted on an OCTAL plug and fitted into an OCTAL valve base on the receiver. I smashed a couple of octal valves to use the bakelite bases as formers. The tubes can be removed from the base by boiling them in water (with a lid on the pan) for 15 minutes, then twisting then from the softened glue. Be careful & try not to let the wife catch you boiling the bottles in the kitchen.
L2 used to be referred to as a 'tickler' winding and this coil is close-wound & spaced 1/4 inch from the ground end of L1. Feedback is varied by means of 100pf variable capacitor that is connected to the tickler. L1 is the main tuning winding, and used to be called the SECONDARY!!. All coils are wound on a 1.25 inch Dia. former and use 26-SWG enamelled wire. The tickler winding is pile-wound 1/4 inch wide. The secondary (tuned) windings are all spaced to one inch wide.
| Band | Secondary | Tickler |
|---|---|---|
| 10 - 20 meters | 6 turns | 5 turns |
| 20 - 40 meters | 12 turns | 7 turns |
| 40 - 80 meters | 16 turns | 7 turns |
| 80 - 200 meters | 46 turns | 15 turns |
| 200 - 350 meters | 69 turns | 28 turns |
| 350 - 500 meters | 131 turns | 32 turns |
Regeneration is very easy and smooth on all bands, but you may have to alter the number of turns on the tickler winding a little. With a 100p tuning capacitor and a 15p bandspread the receiver was very useable on the 10 meter band, but I found that a metal case was necessity due to hand capacitance pulling the RX frequency. As with any regenerative type of receiver, it should be built 'like a brick toilet' and all coils well lacquered.
Set the regeneration control so that oscillation just comences and you can then resolve CW and SSB. With regeneration set under the point of oscillation you can copy AM and FM stations.
Have fun, de HARRY, Lunda, Sweden.