

Many years ago I decided to build myself a Direction Finding (DF) system just after I had won my first VHF "fox-hunt" with the DF-Antenna in the Cambridge & District Amateur radio Club. The system I had in mind had to be much more accurate and have at least:
I achieved all of the above criteria, although fitting to a car did require a roof rack to carry a 1000mm square aluminium or tin plate for the antenna array. If you have the time and money then make this plate bigger, if possible. 5-meters would be ideal for a home base.
Back to Contents

Similar to the system used in modern aviation where an antenna array modulates the phase of an incoming signal. The commercial system is known as Commutated Aerial Direction Finding (CADF) where a ring of 18 identical antennas are each switched on in sequence, just like winding a rotary switch round and round so that one antenna is always connected to the receiver. Consider:

If the receiver is connected to the take-off point in the centre of the above diagram, then any received signal will become phase modulated, the phase delay being dependant upon the direction of the received signal. Consider for one moment a signal comes from due North of the above array then Antenna-1 will receive signals that are part of one cycle in advance of all the other antennas. As the switch (commutator) is rotated then the signal fed to the receiver will gradually lag in phase more and more until Antenna -5 is selected. Continuing the switch rotation round, the signal will again begin to lead. The overall effect will give us a sine (ish) audio signal out of the receiver.
If we now triggered an oscilloscope so that the NORTH antenna made the trace start (the trailing edge of Antenna-9 switching pulse), then the waveform received from the FM receiver would look something like this (after filtering):

If the station received now came from due East then as the antennas are switched the received phase would advance until Antenna-3 was selected then continue to lag again. The greatest lag would occur when Antenna-7 was selected then the signal would again begin to lead again. If we still triggered the oscilloscope so that the NORTH antenna made the trace start, then the waveform received from the FM receiver would look something like this:

As you can see, the waveform is delayed by exactly 90 degrees. By measuring the phase difference between the trigger point and the peak of the AF wave then we will therefore have an exact bearing to the target station. In this project we shall be using the parameters:

I had to develop an antenna since they should all be 100% identical without giving any phase changes by mis-tuning. The best method is to use a folded 1/4-wave antenna etched out of copper-clad PCB fibreglass board and using a trimmer capacitor to adjust the antenna frequency. The antennas should each be soldered on a blank un-etched copper-clad board, which is then bolted to an aluminium or tin plate. The bigger the tin plate the better, but 1000mm Dia. will work for 144MHz or more. If it is too small then the AF output will be reduced and accuracy will suffer. The copper-clad board need only be large enough to support one antenna and allow it to be bolted to the tin plate. This will allow the antennas to be easily removed or re-positioned, if it should become necessary.
The antennas are mounted around the circumference of the metal plate, and aligned so that they are in-line with a line drawn from the centre of the plate and with the 22p tuning capacitor facing the edge of the plate. The angle between each antenna is exactly 40°.

A length of coaxial cable a multiple of 33% of the wavelength (145MHz = 670mm) was used on the prototype in the diode switch circuit and all were terminated by soldering the centre-core to a 2-pence coin and the tin plate. You may wish to bolt a piece of copper-clad board to the tin plate so that it is easier to terminate the coaxial cable braids with a normal 15-watt soldering iron. It is important that all nine lengths of cable are EXACTLY identical in both type and length.
I had this system working on 27MHz but results not acceptable. With a new antenna system for this band there should be no problems.
Back to Contents

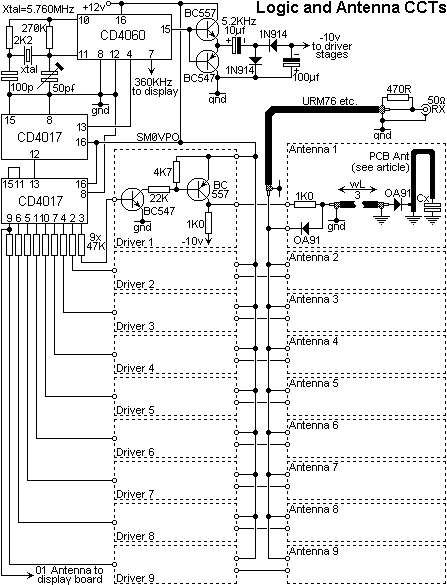
The diode switches are fitted to the antenna array but are driven from a Comutator board that generates +12v / -10v square-wave to switch ON each antenna in turn.
The other components are mounted on the board generates a 5.760MHz (CD4060) signal and divides it to provide:
The exact frequency of the crystal is not important, as long as it is reasonably close. 5.184MHz, for example, will give you a 900Hz tone and only 900 displays per second plus you will have to alter the component values in the filter a little. Typical practical values may lie between about 4.5MHz and 7MHz.

The circuit is fairly straightforward; there is just a lot of it! Mine was built on simple blob-board but I also made up a board each for the drivers and each were mounted vertically in a row. All the drivers are identical and similar to Driver-1.
Back to Contents

This is a lot simpler than it looks. The two 4013 trio's (ICs: 2b, 3b and 2a, 3a) each generate a clock pulse (360KHz-clock) when either:
These events occur twice in the DF cycle so IC's 10a and 10c "gate out" the unwanted occurrence. IC4 through IC8 are a simple frequency counter but one that is never gated. The count continues continuously from the 360KHz-clock input, but the counters are reset to 000 every time the North antenna is pulsed. The instantaneous data is transferred to the display latches by the signal from the receiver.
According to my rough notes there was an IC1 to reduce the frequencies but these had no practical effect when removed. So please note that there is no IC1 in this circuit and I not going to bother renumbering everything to make nice neat numbers. If you built it the way I did then it will look messy enough anyway!

As you can see, the circuit is quite crude and simple, but once again there is just a lot of it. The only important things to remember are:
You may think that the received signal will suffer some form of delay in the receiver and AF filtering - yes! It will. You may consider that this delay will differ between different receivers - yes! It will. You may think that we have lost our North calibration - yes! we have. Tune the receiver to a station with a known location (a local repeater perhaps?) and just rotate the whole antenna array until the reading is 100% correct. Do NOT use a compass, these are unreliable things to use near cars and other metal objects. Lay a map on the ground, align the map using known landmarks so that it lies in the same orientation as reality. Now plot the position of the reference station using a compass as perhaps an overgrown protractor.
Back to Contents

Every antenna should be identical as stated above. So how do we make antennas 100% identical? There are several ways, but the way I did it was to initially connect each antenna to a 145MHz transmitter and adjust the cap for minimum VSWR. Use the same cable to test each antenna and ensure the antennas are all tested in exactly the same position. The transmitter should have an output of less than one watt if the 22p presets are to survive.
Some final adjustment may be performed by placing a mag-mount antenna in the exact centre of the array and watch receiver AF directly at the FM discriminator with an oscilloscope. Inject an unmodulated signal from a signal source to the mag-mount and there should be a "flat-line" seen on the scope. If there is any deviation, touch each antenna in turn whilst watching the scope, to identify the worst antenna. GENTLY touch the tuning capacitor to bring the line back to flat. If you are lucky then you may not have to make any adjustments at all.
Back to Contents

Now this circuit is very easy. Adjust the 10K pot until it just stops oscillating with no input signal. Peak the 22K pot for maximum output with a 1KHz input signal. Adjust the 100R resistor marked "*" if you need a little more input to get a full 8-volt swing of the output (3v-rms as measured on a multimeter).

In essence this circuit is an RC phase-shift oscillator. If the feedback is sufficiently reduced then oscillations will cease, but at this point of "notquiteoscillating" it will behave as an amplifier with a VERY narrow bandwidth. The bandwidth is controlled to a large degree by the feedback but is typically a couple of Hz. It is this circuit that helps to prevent speech on the target transmitter from making the display jitter. The prototype jittered a little but was useable quite useable with this filter.
Back to Contents

The millitary and civil aviation CADF use two reveivers operating from the same local oscillators. One receiver is connected to the commutated antenna and the other to a reference antenna. The receiver IF stages are converted down, demodulated and processed to provide four 60Hz sine-waves used to drive a CRT with a circular time-base. This gives a dancing spot in the centre of the tube, but upon a received signal a line stretches out from the centre of the tube to the edge. The border of the tube is calibrated in degrees.
These 60Hz 4-phase control signals are also sent from several stations, by land-line, to a central air-traffic control room, where the CRT signals are projected onto a frosted-glass screen depicting a map of the country. Each CRT display is positioned on the map in the position of the receiver station. If an aircraft now transmits on 121.5MHz or 243MHz (the aircraft distress frequencies) then the dancing spots on the screen become lines from each of the receiver station positions. All the lines will converge on the position of the aircraft. It is accurate to a hundred feet or so, anywhere in the country and takes less than a second to see and mark your position.
Back to Contents

I did have a few problems getting my DF system working, but this was more due to the method of construction I used (blob-board and rats-nest), but in the end it worked well and I was able to simply drive directly to a source of interference. Unfortunately I was in Saudi Arabia when I finished it and there were not so many radio amateurs out there!
I must point out that this design was built several years ago and the prototype was one of the casualties of the divorce, but the design was proven. I therefore suggest you regard this project as a starting point for further development, although I do not recall any great deviations from my notes. You will have to find some means of protecting the antennas from moisture and even wind, as well as using a better method of construction than I did, if you want something to survive any length of time.
On the car, the antenna was so aligned that a reading 359/000 degrees was directly ahead. For "homebase" use the it is best aligned to North. If you and a friend live close together then you can have one each and cross-reference your bearings to get an exact bearing to an "offending" station. You will see one new reading every 1mS so there are 1000 readings per second, giving the appearance of a continuous display, but there is about 100mS of settling time due to the filter and the receiver AF circuits.I do remember that I initially tried using a load of "rubber-ducky" antennas I bought in a job-lot, from Lowes "emporium" in Cambridge. The antennas were all slightly different and proved unuseable without modification, which is why I eventually developed the PCB antennas for the purpose.
NOTE: I have got some of the pin numbers wrong, but I will correct those soon.

Have fun and very best regards from Harry - SM0VPO
Return to INFO page