
The biggest problem I have with PSUs is that I am only really interested in +13.8vDC. Unfortunately many projects and bits of homebrew stuff need higher voltages, or +/- voltage supplies. Such projects are frequently dismissed for this reason. Typical projects include Zener diode testers, OP-Amp circuits and RF Power Amplifers that use 24 volts. Now all that is over. Here are a few versions of the same theme to provide you with access to different voltage levels using a "slack handfull" of common components. you can even build them into your existing equipment if you need to modify for 12v operation.

This is a basic circuit that oscillates at about 10KHz and drives a pair of complementary transistors hard into conduction. This is then rectified and added to the original +13.8vDC to give about +25 volts DC out. It will provide up to 100mA at 25v with the components shown. In effect the circuit is a DC supply doubler. It is quite efficient since the output of the power oscillator is a square-wave (the RMS value of a square-wave is equal to its peak value).

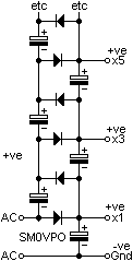
The same circuit can be extended with another diode and capacitor to make a supply trippler for up to 50mA. You can add to this as long as you like and is an ideal way of generating up to about 100 volts for battery valve circuits. For higher voltages then a transformer circuit is much more efficient since you loose an extra 0.7v for every additional rectifier stage.

Here we have removed the original supply addition diode and reversed the rectifier so that the same circuit generates a negative voltage. using this technique you can have +/- 12 volts for example, to power RS232 and OP-Amp projects.
These circuits are all Ok for small projects, but what if you are a power freak and want a few watts? No problem!

Drive a couple of power transistors to get more current. Rx and Ry should be small enough to allow the power transistors to push as much current as you want. 470 ohms would normally be about right for an output current of 1-ampere and power transistors having an "hfe" of at least 50 or more. Again, the rectifier circuit can be modified as previously shown to give the final voltage you want.

Above we have the well known "Cockroft Ladder" which is a half-wave rectifier and voltage multiplier.
The rectifier diodes for all these circuits should be something like 1N4001 for up to 1-ampere or perhaps 1N5401 up to 3-amperes. The small signal transistors can be any old common PNP and NPN transistor, such as 2N2222 etc. The ripple frequency is very high so you do not need too much in the way of smoothing. For even higher outputs then make up darlington power transistors using something like 2N3053 and a 2N3055 (NPN) and 2N2953 and 2N2953 (PNP). Using this technique it is quite easy to have +24 volts at 5-amperes (or more) from a car battery which can enable you to use ex- millitary surplus equipment or more efficient transmitting equipment mobile. The first time I began mucking about with DC converters was to charge a +12v car batery from the -12v system in my old Morris 1100 (Good grief! am I showing my age again?).
