
Here are a few mixers, beginning with AF and ending with RF. Bear in mind that an RF mixer is also a modulator.

This simple circuit is capable of mixing several AF signal sources to a single wire so that it can drive AF amplifiers or even the station transmitter from more than one AF signal source. Each source will not have any effect on the others.

The voltage gain of the buffer amplifier stage for each input is 1 + R2/R1 so each input may be set for a different device. R4 sets the overall output from the mixer. You can add more input stages at the point marked X. Note that this circuit is designed for a split supply voltage (not shown) but it should be relatively easy if you want a single supply mixer.
TYPICAL VALUES
RV1=100K, R1=100K, R2=470K, R3=100K, R4=330K, IC=LM324.

A simple diode ring mixer is capable of mixing signals when a product is required (i.e. it is not a simple additive mixer as shown above) and is the sort of mixer that is usefull for radio frequencies up to about 50MHz.

Here three transformers are required. They can be wound by twisting together three lengths of enamelled copper wire. Threat this twisted bunch as a single wire and wind several turns on a ferrite ring, exactly as you would to make an RF balun. For low power work (up to 1 watt) you can use small 6mm (1/4") ferrite rings and the thinest wire you can find. The spot in the drawing indicates the direction of the winding. The diodes can be almost anything, preferably OA91 or any signal diode.

Both mixer variations can tolerate very high signal levels but requires something like +10dB (10mW) of local oscillator drive (In1). This type of passive mixer does not have any gain, in fact it has typically -6dB loss. An ideal mixer for a very quick Direct Conversion (DC) receiver using an HF antenna (HF Ant), signal generator (Gen) and a stereo amplifier (AFamp). Such a receiver is capable of receiving SSB and CW signals.

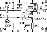
This must be the big-daddy of all mixers for me. This mixer is capable of all manner of permutations, including making it oscillate instead of using two inputs. This mixer is suitable for all frequencies from AF to several hundred meggahertz.

T1 and Cx are resonant but they can be replaced with a resistor and capacitively couple the output to the next stage. In this manner you can use this mixer for audio frequencies. This mixer gives typically +10dB of voltage gain and is very surprisingly not as noisy as its valve counterpart! The only dissadvantage is that it cannot handle huge signals and the device usually needs to be handled with extreme care as they are static sensitive. Typical device - BF981.

Have fun, de HARRY, Lunda, Sweden.
