Author = Frank V. Hughes
Field effect
transistors can be classified between those which operate in the enhancement
mode and the depletion mode.
Enhancement mode means that the FET must be
biased on to set the operating point for use as an amplifier (much like biasing
a bipolar transistor).
Depletion mode means that it must be reverse biased,
or biased off, to set the operating point (as in a valve amplifier).
The
junction FET or JFET operates in the depletion mode and to reverse bias a JFET
stage, it is only necessary to insert an appropriate value of resistance in
series with the source electrode (much like cathode bias in a valve
stage).
Figure
1 shows a P channel JFET and an N channel JFET, each with a source bias resistor
Rs.
The only difference between the two circuits is the polarity in
connecting to the supply rail.
Voltage is developed across Rs and applied the
gate-to-source junction in reverse or depletion polarity.
Due to the reverse
feedback, the drain current is stabilised at a value determined by the value of
Rs.
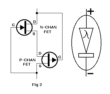
Now instead of Rs in the P channel JFET, lets replace it with the source
and drain of the N channel JFET, and instead of Rs in the N channel JFET lets
replace it with the source and drain of the P channel JFET.
Now we get the circuit of
Fig 2 and this is our Lambda circuit.
Connected in this way the two
transistors interact with each other an produce the "negative-resistance"
characteristic or backward bending curve.
This is well known in the Tunnel
diode and the Tetrode vacuum tube.
Because of the similarity of the Greek
character LAMBDA to the shape of the "neg-resistance curve" the term
Lambda-Diode was coined to describe the circuit element under discussion.

To make a
negative resistance oscillator we simply connect a tuned circuit in series with
the Lambda circuit and the drain to source supply and set the supply voltage to
a suitable level for oscillation to occur. 
The advantage of this
type of oscillator is that two-terminal (i.e. no taps) inductance coils are all
thats needed!
Since P-channel JFETS have a relativley shallow transfer curve,
a bipolar transistor can be used in its place.
The circuit shown is that
of a "gate-dip" oscillator, used to determine the resonant frequency of parallel
LC circuits.
FET T1 and the bipolar transistor T2 form the Lambda diode.
The "Lambda-diode" so formed is biased to the negative resistance region by
means of P1 .
Experimentation would suggest that point is about 4 volt.
(In a tunnel diode this point is about 1 volt).
The Lambda diode curve can be
plotted at your test bench and by considering the neg-resistance region A-C: a
resistance value of approx 600 ohm is obtained by taking the ratio of voltage
change to current change for "A-C" curve section.
From the point of view of
RF currents: the base of T2 is connected to the drain of T1 and the gate of T1
is connected to the collector of T2 (via 47pF capacitor).
With the wiper
of P1 most +ve oscillator is inoperative and meter reading will be at a
minimum.
The oscillator will work provided that the shunt resistance of the
resonant circuit is at least greater the the -ve resistance value of the lambda
diode.
This we established earlier as being about 600 ohm.
Even low-Q
tuned circuits can have a high shunt resistance which means that the circuit
oscillates so freely it can be hard to pick up the dip even when the test LC
network is being "dipped".
Therefore advance P1 wiper till deflection just
increases (oscillator is now running).
Also the shunt resistance of the LC
circuit may be artifically lowered (by paralleling with a fixed resistor of
approx 1.6K to 4.7K - Higher freq' least resistance - see table).
This allows
this (very efficient) oscillator to operate with just enough feedback to produce
a reliable output, and hence when used as a Dip-meter,
the "dip" phenomina
will be more evident and not masked by the ability of the Lambda oscillator to
produce full output even with a Low Q tuned circuit and the proximity of a
nearby test LC network trying to absorb some RF
energy!
REFERENCES:
Wireless World: Jan & Feb 1957 M G
Scroggie (Cathoderay)
NEGATIVE RESISTANCE - MYSTERY OF THE BACKWARD BENDING
CURVE
Elektor magazine October 1979. A modern grid-dip meter page
10-22
Amateur Radio (Australia) January 1997 A dip meter using the Lambda
diode page15